Applicazione del sistema informatico medico Acrel negli ospedali malesi
Casa / Progetti / Ospedale / Applicazione del sistema informatico medico Acrel negli ospedali malesi

Applicazione del sistema informatico medico Acrel negli ospedali malesi

Con il crescente utilizzo di apparecchiature mediche elettroniche negli ospedali, il rischio di dispersione di corrente rappresenta una minaccia significativa per la sicurezza dei pazienti, in particolare negli ambienti di terapia intensiva. Durante le procedure chirurgiche o l'anestesia, i pazienti sono collegati direttamente a vari elettrodi e sensori. Anche correnti di dispersione minime possono causare scosse elettriche quando i dispositivi medici sono a diretto contatto con il corpo umano.

Inoltre, le apparecchiature di supporto vitale per i pazienti critici devono mantenere un funzionamento ininterrotto. Qualsiasi interruzione di corrente potrebbe mettere immediatamente in pericolo la vita dei pazienti. Pertanto, gli impianti elettrici ospedalieri devono rispettare rigorosamente le norme nazionali implementando sistemi di alimentazione IT nelle aree designate.

Questo caso di studio dimostra l'applicazione del sistema di alimentazione elettrica isolata medicale di Acrel in Malesia, caratterizzato da:

Distribuzione dell'energia informatica medica

Dispositivi per il monitoraggio dell'isolamento

Sistemi di localizzazione dei guasti

Contattaci
  • Panoramica del progetto
  • Panoramica del progetto
    Malaysia I.E.D si trova a SELANGOR DARUL EHSAN, il progetto è utilizzato principalmente nell'ospedale dell'isola in Malesia, i prodotti sono utilizzati per la localizzazione dei guasti di isolamento di 12 circuiti per 3 set di sistemi di alimentazione isolati ospedalieri, i prodotti correlati sono il dispositivo di monitoraggio dell'isolamento AIM-M200, il generatore di test di segnale ASG150, l'indicatore di allarme centralizzato AID150, il localizzatore di guasti di isolamento AIL150-8, AIL150-4 e trasformatore di corrente di dispersione AKH-0.66P26.


    Introduzione al sistema informatico medico
    Il dispositivo di monitoraggio dell'isolamento e il sistema di localizzazione dei guasti del sistema IT medico ACREL è adatto per sale operatorie ospedaliere, unità di terapia intensiva (CCU) e altri luoghi importanti e può fornire un luogo sicuro per tali soluzioni di alimentazione continua e affidabile.


    Soluzione di alimentazione per sedi mediche
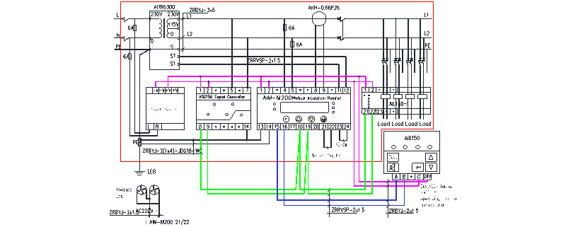
    Soluzioni di distribuzione nei reparti di terapia intensiva e terapia intensiva (ad esempio, diagramma del sistema dell'armadio elettrico isolato GGF-I8G)


    Opzione I senza funzione di localizzazione dei guasti


    Opzione II con funzione di localizzazione dei guasti

    NOTA: Nelle soluzioni di distribuzione dell'energia dell'unità di terapia intensiva, il dispositivo di allarme e visualizzazione centralizzato della serie AID deve essere installato nella postazione degli infermieri, il personale ospedaliero della postazione degli infermieri monitora lo stato operativo di ciascun sistema di alimentazione isolato.


    Soluzioni di distribuzione per la sala operatoria (ad esempio, schema del sistema dell'armadio elettrico isolato GGF-O8G)

    Opzione I senza funzione di localizzazione dei guasti di isolamento


    Opzione II con funzione di localizzazione dei guasti di isolamento

    1. Nelle soluzioni di distribuzione dell'alimentazione per sala operatoria, i dispositivi di visualizzazione e allarme esterni della serie AID devono essere installati sul pannello intelligente all'interno della sala operatoria o accanto al pannello intelligente (installazione a parete). Durante l'intervento chirurgico, il personale medico monitora lo stato di salute del sistema di alimentazione isolato.

    2. Nello schema con funzione di localizzazione dei guasti di isolamento, se il numero di canali individuati è superiore a otto, è possibile utilizzare due set di localizzatori AIL150. La combinazione può essere AIL150-8 e AIL150-4 (fino a 12 canali), oppure AIL150 -8 e AIL150-8 (fino a 16 canali).

    3. Schema elettrico tipico






    4. Introduzione dell'IT medico in 7 parti

    Nome e tipo del prodotto Immagine del prodotto Descrizione
    Trasformatore di isolamento medicale serie AITR Il trasformatore di isolamento della serie AITR è utilizzato appositamente nei sistemi IT medicali. Gli avvolgimenti sono trattati con doppio isolamento e presentano uno strato di schermatura elettrostatica, che riduce le interferenze elettromagnetiche tra gli avvolgimenti. Il sensore di temperatura PT100 è installato nella borsa metallica per monitorare la temperatura del trasformatore. Tutto il corpo è trattato con vernice anti-intrusione sotto vuoto, che aumenta la resistenza meccanica e la resistenza alla corrosione. Il prodotto ha buone prestazioni di aumento della temperatura e un rumore molto basso.
    Strumento di monitoraggio dell'isolamento medico intelligente AIM-M200 Lo strumento di monitoraggio dell'isolamento medico intelligente AIM-M200 adotta la tecnologia avanzata del microcontrollore, che ha un'elevata integrazione, dimensioni compatte, installazione conveniente e integra intelligenza, digitalizzazione e rete in uno. È la scelta ideale per il monitoraggio dell'isolamento dei sistemi di alimentazione isolati in ambienti medici di Classe 2 come sale operatorie e unità di terapia intensiva.
    Trasformatore di corrente AKH-0.66P26 Il trasformatore di corrente tipo AKH-O 66P26 è il trasformatore di corrente di protezione che supporta il monitor di isolamento AIM-M200, di cui la corrente massima misurabile è 60 A e il rapporto di trasformazione è 2000:1. Il trasformatore di corrente è fissato direttamente all'interno dell'armadio mediante avvitamento e il lato secondario viene fatto uscire dal terminale, che è comodo da installare e utilizzare.
    Localizzatore di guasti di isolamento AIL150-4/AIL150-8 Localizzatore di guasti di isolamento AIL150-4/AIL150-8 adopts high sensitivity transformer combined with a high precision signal detecting circuit, which detects the signal imported into the system from the ASG150 test signal generator and accurately locates the circuits which have insulation faults. AIL150-4 insulation fault locator can locate the insulation faults of 4 circuits, and the AIL150-8 insulation fault locator can locate the insulation faults of 8 circuits.
    Generatore di segnali di prova ASG150 Il generatore di segnali di test ASG150 adotta un chip microprocessore a 32 bit e un circuito di generazione del segnale ad alta precisione per realizzare la generazione del segnale di test specifico. Quando il sistema IT monitorato presenta guasti di isolamento, può avviarsi e produrre un segnale di test in tempo, collaborando con il guasto di isolamento localizzato per individuare la posizione del guasto di isolamento.
    Modulo di potenza HDR-60-24 L'alimentatore a corrente continua HDR-60-24 può fornire contemporaneamente un'alimentazione a 24 V CC per AIM-M200
    strumento di monitoraggio dell'isolamento medico intelligente, generatore di segnali di test ASG150, localizzatore di guasti di isolamento serie AIL150 e strumento di visualizzazione e allarme centralizzato AID150. L'alimentatore è di capacità elevata, uscita di tensione stabile e installazione conveniente, in grado di soddisfare i requisiti di alimentazione dei contatori sopra menzionati ed è il prodotto di alimentazione consigliato.
    AID1 50 strumento di allarme e visualizzazione centralizzato Lo strumento di allarme e visualizzazione centralizzato AID150 adotta il display a cristalli liquidi LCD e consente lo scambio di dati con lo strumento di monitoraggio dell'isolamento medico intelligente AIM-M200 attraverso l'interfaccia di comunicazione RS485, che può monitorare in tempo reale i dati multicanale dello strumento di monitoraggio dell'isolamento medico intelligente AIM-M200.

    Foto sul posto



Acrel Co., Ltd.