Corrente nominale 80A direttamente
Certificato MID
Classe di alta precisione C
Montaggio su guida DIN da 35 mm
Uscita a impulsi
4 moduli larghezza 72 mm
Per la gestione energetica IoT, la fabbrica, la scuola
Misurazioni del vero RMS
THD con 63a armonica
Fattore K e fattore di cresta
Squilibrio e angoli di fase
Domanda ed energia multitariffa
Registro massimo/minimo con timestamp
+86-18702106858 / +86-21-69156352
APM810 è un misuratore da pannello multifunzione CA trifase di classe 0,2S progettato per il monitoraggio preciso dell'energia, la diagnostica della qualità dell'energia e la fatturazione secondaria agli inquilini nei quadri industriali, commerciali e di data center. L'involucro compatto DIN da 96×96 mm ospita un touchscreen TFT a colori che visualizza la tensione RMS reale fino a 690 V, corrente, frequenza, potenza attiva/reattiva/apparente, PF, domanda, armoniche fino a 63, THD e kWh/kvarh a quattro quadranti. La doppia RS485 Modbus-RTU, Ethernet TCP/IP, BACnet/IP, SNMP e Wi-Fi/LoRa opzionale offrono un'integrazione BMS/EMS perfetta, mentre la memoria integrata da 4 MB registra i profili di carico di 12 mesi per gli audit energetici. Gli allarmi configurabili di sovra/sottotensione, corrente, PF e armoniche pilotano uscite relè o ingressi digitali per il controllo intelligente dell'interruttore; I registri di impulsi, SOE e tariffa TOU supportano le applicazioni AMI di utility, misurazione netta solare e ricarica di veicoli elettrici. L'ampia connessione diretta o CT/VT da 3×57,7–690 V, 0,001–10 A e la sigillatura a prova di manomissione si adattano a qualsiasi implementazione di smart grid o microgrid.
| Parametri tecnici | Valore | |||
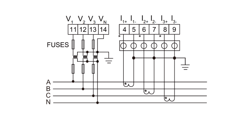
| Ingresso | Connessione | Monofase-2 fili, trifase-3 fili, trifase-4 fili | ||
| Frequenza | 45-65Hz | |||
| Voltaggio | Valutazione: | |||
| monofase: CA 100 V, 400 V | ||||
| Trifase: CA 3×57,7 V/100 V(100 V)、3×220 V/380 V(400 V)、3×380 V/660 V(660 V) (solo dimensione 96) | ||||
| Sovraccarico: valutazione 1,2 volte (continua): valutazione 2 volte per 1 secondo | ||||
| Consumo energetico: <0,5 VA | ||||
| Corrente | Valutazione: AC IA、5A | |||
| Sovraccarico: valutazione 1,2 volte (continua); valutazione 10 volte per 1 secondo | ||||
| Consumo energetico: <0,5 VA | ||||
| Uscita | Energia elettrica | Uscita mode:open-collector photo-coupler pulse | ||
| Costante di impulso: 10000imp/kWh (impostabile), vedere lo schema elettrico per i dettagli; | ||||
| Comunicazione | Porta RS485, protocollo Modbus -RTU, protocollo DLT645 (versioni 07 e 97), | |||
| velocità di trasmissione 1200 ~ 38400 | ||||
| Funzione | Ingresso di commutazione | Ingresso contatto pulito, alimentatore integrato; se il modello è KA, è attivo AC 220V. | ||
| Uscita di commutazione | Uscita mode: Relay normally open contact output | |||
| Capacità del contatto: CA 250 V/3 A, CC 30 V/3 A | ||||
| Uscita analogica | 4-20 mA | |||
| Classe di precisione | Frequenza:0.05Hz,Current、Voltage:0.2 class,Reactive power:l .0class,Reactive Electric energy:l .0class, active power:0.5class,active electric energy: 0.5class,2-31th harmonic measurement:±1% | |||
| Alimentazione | CA/CC 85-265 V o CC 24 V (±20%) o CC 48 V (±20%) | |||
| consumo energetico ≤ 10 VA | ||||
| Sicurezza | Tensione di tenuta a frequenza industriale | Tra alimentazione//Uscita di commutazione// Ingresso di corrente//Ingresso di tensione e trasmissione// Comunicazione //Uscita a impulsi//ingresso di commutazione CA 2 kV 1 min; | ||
| Tra alimentazione, uscita di commutazione, ingresso corrente, ingresso tensione CA 2 kV 1 min; | ||||
| Tra trasmissione, comunicazione, uscita a impulsi, ingresso di commutazione CA 1 kV 1 min; | ||||
| Resistenza di isolamento | Ingresso、Output end to machine enclosure >100MΩ | |||
| Ambiente | Temperatura | lavoro: -25°C~ 65°C immagazzinamento: -40°C ~ 80°C | ||
| Umidità | ≤93%RH senza condensa | |||
| Altitudine | ≤2500m | |||
Soluzione di monitoraggio dell'energia
Fondata nel 2003, Acrel Co., Ltd. [Codice azionario: 300286.SZ] è un'azienda high-tech specializzata in soluzioni di gestione energetica e sicurezza elettrica. Con sede a Shanghai, Acrel offre soluzioni innovative e sostenibili per l'efficienza energetica delle microreti e la sicurezza elettrica. Con oltre 600 brevetti e copyright software, Acrel ha implementato più di 28.000 soluzioni di sistema in tutto il mondo, dando vita a un'architettura internet energetica "cloud-edge-end" completa.
Acrel Co., Ltd. È Cina all'ingrosso Contatore di energia CA trifase programmabile montato su pannello Produttori E Contatore di energia CA trifase programmabile montato su pannello Fabbrica. L'ecosistema di prodotti integrati di Acrel spazia dal software per piattaforme cloud ai componenti per l'utente finale, coprendo settori come energia, energie rinnovabili, data center, edifici intelligenti, trasporti e città intelligenti. Queste soluzioni consentono una gestione energetica intelligente e in tempo reale, migliorando la sicurezza energetica e riducendo i costi operativi. Offriamo Contatore di energia CA trifase programmabile montato su pannello in vendita.
Lo stabilimento produttivo dell'azienda, Jiangsu Acrel Electric Manufacturing Co., Ltd., rispetta rigorosi standard qualitativi e linee guida ambientali, con centri di collaudo all'avanguardia e l'impegno a processi di produzione senza piombo. Il team di oltre 500 ingegneri di Acrel fornisce sistemi di efficienza energetica all'avanguardia e soluzioni energetiche intelligenti.
Con una solida presenza nazionale, Acrel si sta espandendo attivamente a livello internazionale, supportata da una rete globale di team di vendita e tecnici e da una piattaforma di e-commerce che garantisce esperienze di servizio fluide in tutto il mondo. Acrel è orgogliosa di aiutare le aziende a migliorare l'efficienza, ridurre i consumi e raggiungere obiettivi di sostenibilità.
Insieme stiamo costruendo un futuro più intelligente e più verde.
Brevetti autorizzati
0+Numero di clienti serviti
0+Totale dipendenti
0+Base di produzione
0m²Benvenuto in connessione Nel contesto del rapido sviluppo del nuovo settore energetico, scenari come stoccaggio energetico commerciale e industriale , stazioni di cambio batteria , e sistemi di accumulo fotovoltaico domestico hanno posto requisiti più elevati al p...
Per saperne di piùBackground del settore e importanza dell'applicazione Le sbarre collettrici fungono da spina dorsale dei sistemi di distribuzione elettrica in settori che vanno dai quadri, agli azionamenti industriali, agli inverter per energie rinnovabili, ai sistemi di accumulo dell'energia delle ...
Per saperne di piùBackground del settore e importanza dell'applicazione La rapida adozione dei veicoli elettrici (EV) sta determinando nuovi requisiti infrastrutturali in ambienti residenziali multi-tenant come complessi di appartamenti, edifici ad uso misto e abitazioni plurifamiliari. A differenza delle ...
Per saperne di più