
language
Benvenuto in connessione
Nel contesto del rapido sviluppo del nuovo settore energetico, scenari come stoccaggio energetico commerciale e industriale , stazioni di cambio batteria , e sistemi di accumulo fotovoltaico domestico hanno posto requisiti più elevati al precisione, compatibilità e intelligenza di misurazione dell'energia elettrica . Acrel Electric ha sviluppato una gamma completa di nuove soluzioni di strumentazione a supporto dell'energia. Queste soluzioni sono progettate su misura per i requisiti fondamentali di diversi scenari applicativi, coprendo le esigenze di misurazione dalle applicazioni domestiche a basso consumo ai sistemi di accumulo di energia industriali e commerciali su larga scala. Le soluzioni forniscono un supporto affidabile per il funzionamento stabile e la misurazione precisa dei nuovi sistemi energetici.
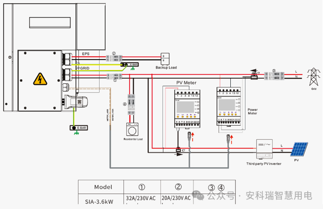
Il fotovoltaico residenziale e lo stoccaggio energetico rappresentano un importante scenario applicativo per la divulgazione di nuova energia. Acrel ha sviluppato prodotti strumentali altamente compatibili destinati a diversi sottoscenari, tra cui abbinamento di inverter per l'accumulo di energia, integrazione di inverter ibridi, sistemi di accumulo fotovoltaico per balconi e sistemi di trasmissione trasparente punto-punto per l'accumulo di microenergia . Questi prodotti bilanciano integrazione, velocità di misurazione e flessibilità di comunicazione.
In risposta alle caratteristiche del mercato della compatibilità multimarca nei sistemi fotovoltaici e di accumulo dell'energia, viene adottata la configurazione RS485 CT per soddisfare condizioni di installazione incerte per gli agenti professionali. Gli strumenti sono certificati con le certificazioni internazionali CE-MID, UL e RCM. Con una frequenza di aggiornamento dei dati ad alta velocità di 50 ms, i dispositivi supportano anche la regolazione della sequenza di fase, garantendo una misurazione accurata e una forte compatibilità.
Per gli elevati requisiti di integrazione dei progetti di inverter di accumulo di energia all-in-one e i requisiti di misurazione a doppio canale in scenari di retrofit, gli strumenti sono dotati di terminali a innesto rapido di tensione e corrente e porte di comunicazione RJ45. Supportano inoltre frequenze di aggiornamento dei dati di 50 ms e regolazione della sequenza di fase, insieme a un sistema di certificazione completo, che li rende adatti sia per scenari di retrofit che di nuove installazioni.
Progettata specificatamente per sistemi fotovoltaici distribuiti e di accumulo di energia a bassa potenza sui balconi, questa soluzione bilancia un'elevata integrazione con una comoda installazione e messa in servizio. Oltre a misurazione a doppio canale e terminali a innesto rapido , supporta anche Funzioni di debug WiFi, WiFi HaLow e Bluetooth . Il design wireless semplifica notevolmente l'installazione in scenari su piccola scala e il prodotto possiede la certificazione CE-RED.
Per affrontare il scarsa penetrazione e prestazioni di rete instabili di traditional WiFi in micro-energy storage scenarios, WiFi HaLow Viene adottata la tecnologia di comunicazione (Sub-1GHz). Rispetto al WiFi tradizionale, offre una maggiore capacità di penetrazione e una maggiore distanza di trasmissione. Rispetto alla comunicazione LoRa, offre una maggiore velocità di trasmissione e una migliore stabilità. Lo strumento supporta nativamente questa tecnologia, richiedendo solo un AP aggiuntivo sul lato inverter per abilitare la comunicazione wireless. Supporta inoltre la configurazione di rete veloce uno-a-uno e uno-a-molti, rendendolo adatto per sistemi domestici multi-inverter e micro-storage da balcone.
Lo stoccaggio di energia industriale e commerciale, lo stoccaggio di energia su larga scala e le stazioni di sostituzione delle batterie richiedono standard rigorosi in termini di precisione di misurazione, velocità di aggiornamento, flessibilità di installazione e conformità normativa. Acrel fornisce strumenti integrati e montati su guida DIN in base a requisiti chiave come fatturazione multitariffa, misurazione della domanda, protezione anti-inversione del flusso di potenza e comunicazione wireless , supportando sia nuove installazioni che applicazioni di retrofit.
L'APM521 ha ottenuto la certificazione CSA (UL) estera e fornisce una precisione di misurazione dell'energia attiva fino alla classe 0,2 s (Classe D). È dotato di memoria su scheda SD per parametri elettrici in tempo reale. Il design modulare del modulo di espansione dell'unità principale supporta sia il montaggio integrato che su guida DIN, soddisfacendo requisiti di installazione diversificati nei nuovi progetti.
Si tratta di un misuratore di classe 0,5S con TA esterno, ampiamente utilizzato nelle applicazioni di grandi clienti. Supporta il cablaggio di retrofit TA secondario e può bloccare direttamente la corrente del lato secondario dei trasformatori di corrente esistenti, rendendolo particolarmente adatto per progetti di retrofit di contatori. Il prodotto possiede le certificazioni CPA, CE e UL e può anche essere personalizzato in una versione di aggiornamento ad alta velocità per soddisfare i requisiti applicativi ad alte prestazioni.
Inoltre, le soluzioni industriali e commerciali integrano anche funzioni di protezione da sovraccarico. Il sistema può essere collegato a scenari di stoccaggio dell’energia lato alta e bassa tensione e può funzionare con contatori elettrici multitariffa per ottenere una misurazione accurata dell’elettricità in diverse strutture tariffarie, fornendo un supporto completo per la sicurezza e la gestione dell’energia per i sistemi di stoccaggio dell’energia industriali e commerciali e le stazioni di scambio delle batterie.
Nel contesto dei continui aggiornamenti nel nuovo settore energetico, Acrel continuerà a concentrarsi sull'innovazione e a migliorare ulteriormente la sua nuova tecnologia di strumentazione a supporto dell'energia e il suo sistema di prodotti. L'obiettivo dell'azienda è fornire prodotti più efficienti, intelligenti e affidabili misurazione dell'energia elettrica solutions per lo stoccaggio di energia commerciale e industriale, stazioni di scambio di batterie e applicazioni di stoccaggio fotovoltaico domestico, contribuendo a promuovere lo sviluppo di alta qualità del nuovo settore energetico.
Diritto d'autore © Acrel Co., Ltd. Tutti i diritti riservati.
Fabbrica di contatori per il monitoraggio dell'energia elettrica
